TITLE 77: PUBLIC HEALTH
CHAPTER I: DEPARTMENT OF PUBLIC HEALTH
SUBCHAPTER n: RECREATIONAL FACILITIES
PART 820 SWIMMING FACILITY CODE
SECTION 820.APPENDIX A ILLUSTRATIONS



Section 820.APPENDIX A   Illustrations

 

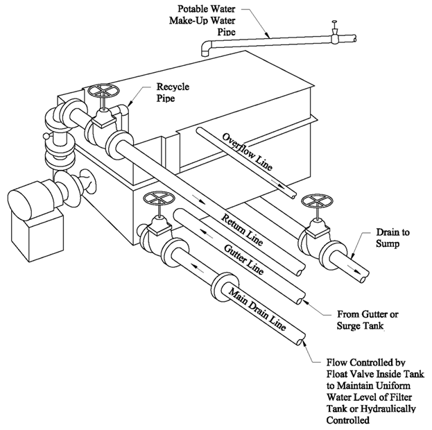
Section 820.ILLUSTRATION K   Installation of a Vacuum Filter System

 

 

 

(Source:  Amended at 37 Ill. Reg. 16539, effective October 4, 2013)